滾珠導軌具有不同的精度等級,以上銀HIWIN的HG系列滾珠直線導軌為例,可分為普通,高,精密,超精密,超高精密共五級。
目前市面上的普通的說法是:滾輪導軌的精度,不如滾珠導軌;這里面有個問題,需要澄清:是說最高等級的滾輪導軌的精度還不如最低等級的滾珠導軌的精度嗎?
上銀的HG系列非互換性滾珠直線導軌的精度指標如下,我們選用一個小規格HG-15,20和一個大規格HG-65的來做為對比基準:




進行對比的精度指標是高度和平行度。
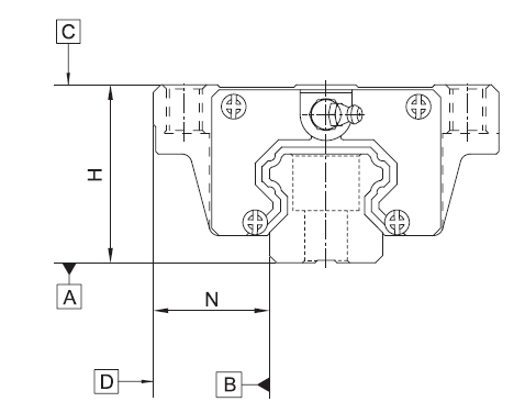
滾輪導軌以HEPCO的HDS2系列產品為代表,見下圖:
HDS2滾輪導軌分為兩種精度等級:普通級C(commercial)和精密級P(precision), 精度指標如下:
一:寬度
C級精度的公差范圍:+0.3/0mm
P級精度的公差范圍:+/-0.025mm
二:厚度
C級精度的公差范圍:+0.1/0mm
P級精度的公差范圍:+/-0.025mm
就這些尺寸公差進行對比,HDS2滾輪導軌的C級類似于HG系列滾珠直線導軌的普通級,P級介乎HG系列滾珠直線導軌的高級和精密級之間。
如下是HDS2滾輪導軌的通常使用方式,從這個示意圖可以看出,裝配之后的平行度精度決定于安裝基準精度和滾輪精度,由于采用了主軸精度等級P4的滾輪軸承,加上合適的安裝基準精度,就可以實現和HG系列滾珠直線導軌類似的平行度精度。更多詳細說明,請參考技術文章:直線導軌制造精度&安裝精度。
HG系列滾珠直線導軌具有的超精密,超高精密兩個精度等級,HDS2滾輪直線導軌是沒有這兩個精度等級的;而這兩種精度等級主要應用在精密機械設備中。
所以可以說,在應用滾珠直線導軌的大部分工廠自動化應用中,滾輪直線導軌同樣適合,而且還具有速度快,壽命長,易安裝和耐粉塵等優點







